基尔霍夫电压定律(KVL)任一集总参数电路中的任一回路,在任一瞬间沿此回路的各段电压的代数和恒为零,即 。
电压的参考方向与回路的绕行方向相同时,该电压在式中取正号,否则取负号。
基尔霍夫电压定律是能量守恒定律在。
基尔霍夫定律包括基尔霍夫第一定律和基尔霍夫第二定律,其中基尔霍夫第一定律称为基尔霍夫电流定律,简称KCL;基尔霍夫第二定律即为基尔霍夫电压定律,简称KVL。
内容是,在任何一个闭合回路中,各元件上的电压降的代数和等。

克希霍夫电压定律(KVL)已知任一连通的集总电路有n个节点,我们可以任选其中一个节点当做据点(datum node),当做测量电位的参考点.因此我们可以定义 (n-1)个节据电压node-to-datum),标示为 e1,e2,e3,……,e(n-1),而。
应用基尔霍夫电压定律列回路电路方程基尔霍夫电压定律(KVL)指出,在一个闭合回路中,沿着任意一条回路的路径所遇到的电势差之和等于零。
这个定律可以用来分析电路中的电压分布和电流分布。
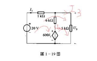
下面举一个简单的例子,应用基尔霍夫电压定律列出回路电路方程。
假设有一。

基尔霍夫第一定律又称基尔霍夫电流定律,简记为KCL,是电流的连续性在集总参数电路上的体现,其物理背景是电荷守恒公理。
基尔霍夫电流定律是确定电路中任意节点处各支路电流之间关系的定律,因此又称为节点电流定律。
基尔霍夫。